您好,欢迎访问广州市广仪仪表有限公司!

广州市广仪仪表有限公司 (始于2006年 专注于能源计量设备)

“广仪表” “GZMETER”

机械式电度表、电子式电能表、IC卡表等仪器仪表配套设备。

销售服务热线

400-878-1315

互感器

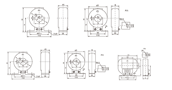
LMZJ1-0.5型电流互感器

如果您有任何问题可以联系我们!
技术参数

型号名称

规格(___A/5A)

精度

接线方式

孔径

LMZJ1-0.5型电流互感器

1020305075100

0.5

多次穿芯

Φ30

0.5S,0.2

0.2S

75100

0.5S,0.2

一次穿芯

Φ30

0.2S

150200300

0.5

一次穿芯

Φ30

0.5S,0.2

0.2S

400500600750

0.5

一次穿芯

Φ50

0.5S,0.2

0.2S

7508001000

0.5

一次穿芯

Φ80

0.5S,0.2

0.2S

100012001500

0.5

一次穿芯

Φ100

0.5S,0.2

0.2S

20002500

0.5

一次穿芯

Φ140

0.5S,0.2

0.2S

3000

0.5

一次穿芯

Φ140

0.5S,0.2

0.2S


外形尺寸

额定一次电流

ΦD

Φd

h

H

a

B

5~300

92

30

68

116

7

53

400~600

114

40

83

140

9

54


  

额定一次电流

A1

A2

H

h

B

L1

L2

C

800~1500

174

106

153

91

50

113

143

42

2000~3000

216

140

175

102

70

143

175

45

点击
隐藏

电话
咨询

400-878-1315
客服热线

⚠️ 您的浏览器版本过低,可能无法正常使用本网站的全部功能。建议使用 ChromeFirefoxEdge 浏览器访问。